El lipoma es la tumoración benigna más frecuente de partes blandas, pero su presencia intraarticular es extremadamente rara con pocos casos descritos. Su localización más frecuente es la rodilla, aunque se han descrito otras localizaciones en cadera1, columna lumbar2, codo3, hombro3 y muñeca3.
CASO CLÍNICO
Varón de 47 años, con una tumoración palpable en su rodilla izquierda de un año de evolución que le ocasionaba dolor, episodios ocasionales de derrame intraarticular, y que le limitaba para sus actividades diarias. El paciente refería un empeoramiento clínico en los últimos meses. En la exploración presentaba una masa de 2 x 3 cm en la región antero-interna de la rodilla, dolorosa a la presión, que se hacia más prominente en la posición de sentado. El paciente conservaba un rango de movilidad completo. En la resonancia magnética (RM) se observó un lipoma intraarticular simple adyacente al retináculo medial (figs. 1 y 2). Se realizó una artroscopia de la rodilla, localizándose el lipoma y apreciando su correcta delimitación con una cápsula fibrosa envolvente que lo distinguía tanto en color como en textura del tejido sinovial circundante. Finalmente, se optó por realizar la extirpación por miniartrotomía, dada la consistencia de la masa. La evolución del paciente finalmente ha sido satisfactoria.
Figura 1. Imagen coronal de resonancia magnética que muestra el lipoma simple intraarticular en la región medial de la rodilla.
Figura 2. Corte axial de resonancia magnética que muestra el lipoma simple intraarticular.
DISCUSIÓN
El lipoma es una tumoración benigna compuesta por adipocitos maduros. Su incidencia exacta se desconoce, ya que en ocasiones se plantea el problema de diagnóstico diferencial con el lipoma arborescente. Su localización intraarticular es poco habitual, y hasta el momento han sido pocos los casos publicados. Dentro de sus distintas localizaciones la rodilla es el lugar de aparición más habitual3-7.
El lipoma simple es una masa solitaria de forma ovalada o redondeada, contenida en una cápsula fibrosa que aparece de novo y que ocasionalmente puede producir sintomatología en forma de dolor, derrame articular, y, a veces, bloqueo articular3, ocasionado por la interposición del tumor entre las superficies articulares.
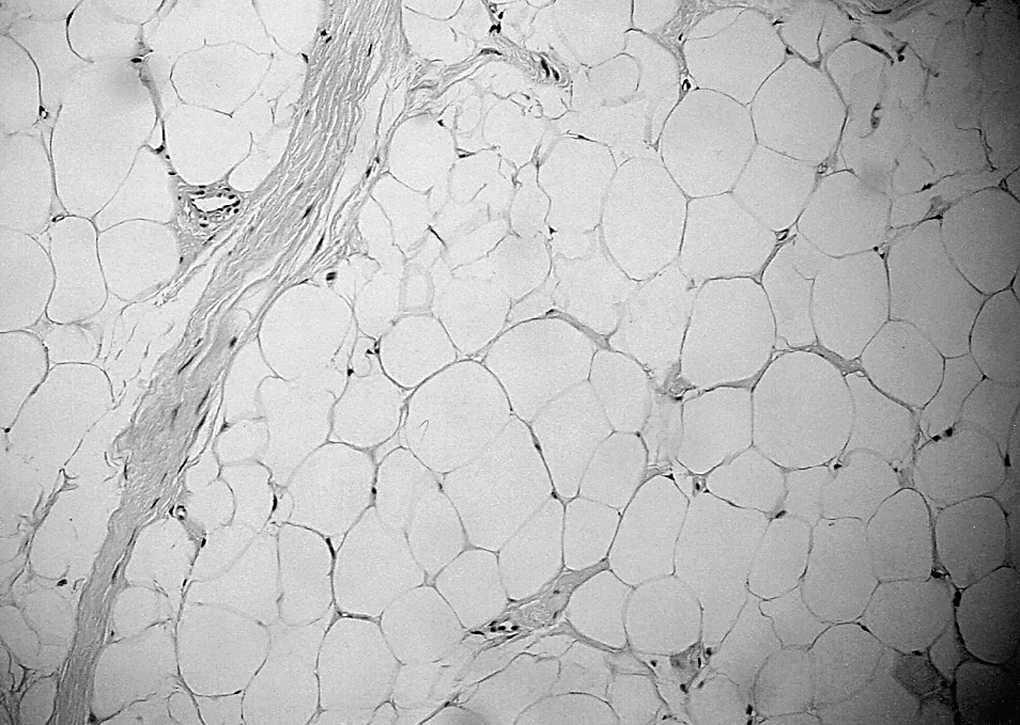
Es importante distinguir el lipoma simple del lipoma arborescente, que es una patología intraarticular más común. Se trata de una proliferación lipomatosa difusa de la sinovial, de etiología desconocida y que habitualmente suele estar asociada con la diabetes mellitus, desgarros meniscales u otros procesos artríticos o traumáticos articulares4. Ambas entidades son distinguibles macroscópicamente3, ya que el lipoma arborescente se aprecia como una proliferación lipomatosa y difusa de la sinovial, mientras que el lipoma simple se presenta como una masa de tejido graso bien circunscrita y rodeada de una cápsula fibrosa. Además, su histología también es diferente, como bien se detalla en el artículo de Matsumoto K et al5 (fig. 3). Esta distinción es importante realizarla desde un punto de vista clínico, ya que el tratamiento es diferente. El lipoma arborescente se trata mediante la realización de una amplia sinovectomía, al contrario que el lipoma simple, en el cual se extirpa la masa simplemente4. También es importante realizar un diagnóstico diferencial con otras entidades como la enfermedad de la grasa de Hoffa6, otras tumoraciones malignas, etc. Ante la sospecha clínica, el diagnóstico se confirma por RM. Habitualmente el lipoma simple aparece como una masa de tejido adiposo que produce una señal de elevada intensidad, que a su vez contiene estructuras fibrosas lineales de baja intensidad en la secuencia T1, y una masa con una señal de elevada intensidad en secuencia T25.
Figura 3. Imagen histológica del lipoma simple. Se observan células grasas maderas sin núcleo atípico y los adipocitos separados por septos fibrosos.
La artroscopia ofrece la posibilidad de visualizar la lesión y realizar una resección mínimamente invasiva. Es posible resecar la lesión en bloque realizando una miniartrotomía3, como en nuestro caso, pero la tendencia actual es la resección por artroscopia, utilizando un instrumental motorizado3,4,6. Este tipo de tratamiento ofrece la ventaja de una recuperación más rápida, siendo necesario un menor tratamiento rehabilitador.
En conclusión, se trata de una lesión rara, con pocos casos descritos en la literatura. Es obligado realizar el diagnóstico diferencial con el lipoma arborescente, así como con otras entidades menos habituales. El diagnóstico se confirma mediante la RM. Actualmente está aceptada la resección por vía artroscópica, que a su vez ofrece una visión directa de la lesión y un postoperatorio más cómodo para el paciente.
Conflicto de intereses. Los autores no hemos recibido ayuda económica alguna para la realización de este trabajo. Tampoco hemos firmado ningún acuerdo por el que vayamos a recibir beneficios u honorarios por parte de alguna entidad comercial. Por otra parte, ninguna entidad comercial ha pagado ni pagará a fundaciones, instituciones educativas u otras organizaciones sin ánimo de lucro a las que estemos afiliados.





