Introducción
El enclavado intramedular fresado es un procedimiento quirúrgico muy extendido para el tratamiento de las fracturas diafisarias de los huesos largos. El fresado endomedular incrementa la superficie de contacto entre el hueso y el clavo y permite la introducción de implantes de mayor diámetro proporcionando una fijación más estable de la fractura.3,7 Además, parece estimular la cicatrización al aportar injerto autólogo al foco.3
Entre las posibles complicaciones que se citan en la literatura hay que nombrar el aumento de la presión en el interior de la cavidad medular,10,12 la destrucción de la vascularización endostal4,6,12 y el aumento de la temperatura local,2 con el consiguiente riesgo de necrosis ósea.
El objetivo del presente estudio es correlacionar el incremento de temperatura recogido durante el fresado endomedular con los hallazgos anatomopatológicos observados.
Material y método
Se recogieron las variaciones de temperatura «in vivo» producidas por el fresado intramedular durante el procedimiento quirúrgico en las tibias de 7 cerdos «minipig». La edad media de los animales fue de 7,2 meses (mínimo 6 y máximo 9). El peso varió entre 41 y 53 kg. Para el experimento se utilizó una sonda térmica tipo RTD Pt100 (Adaba Ingenieros) que permitió la toma de datos con una precisión de 0,1 °C.
Las muestras tomadas se enviaban a un ordenador personal a través de un conversor analógico-digital de 16 bits y eran almacenadas por un Programa de Adquisición de Temperaturas específico, diseñado para entorno Windows.
La sonda se introducía a través de un orificio labrado en el 1/3 medio de la cara anteromedial de la tibia, y tras medir el grosor de la cortical con un medidor de AO se colocaba a 1 mm del endostio. Para realizar el fresado se utilizaron fresas flexibles AO Stryker-Howmédica de 6, 7, 8 y 9 mm y un motor (Bosch PSB 570 RE), a 1500 r.p.m. (Fig. 1).
Figura 1. Sistema de adquisición de temperatura.
En las tibias izquierdas el fresado se realizó aumentando de forma progresiva el grosor de las fresas desde 6 hasta 9 mm, mientras que en las derechas se comenzó directamente con la fresa de 8 mm para provocar un mayor rozamiento.
El programa informático proporcionaba muestras de temperatura cada 3 segundos durante todo el proceso quirúrgico. Pasadas dos semanas de la intervención se procedió al sacrificio del animal extrayendo las piezas óseas para el análisis anatomopatológico.
Resultados
Las medidas de los diámetros de la cavidad medular ovoidea en el tercio medio de la tibia, tanto en la radiografía en proyección anteroposterior como en la lateral, oscilaron entre 7 ×4 mm y 10 × 7 mm.
El incremento medio de temperatura observado, cuando el fresado se hizo de forma progresiva, aumentando el grosor de las fresas, fue de 3,01 ± 0,77 °C. Cuando se realizó directamente comenzando con la fresa de 8 mm, el aumento medio de la temperatura fue de 5,71 ± 2,21 °C (tabla 1).
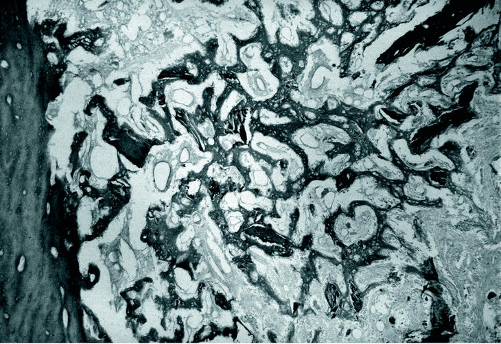
El estudio morfológico del canal medular reveló la presencia de hueso reactivo lamelar neoformado subperióstico (Fig. 2), osteoide inmaduro a nivel del endostio que engloba las trabéculas óseas con fenómenos de osteonecrosis y que se dispone en «encaje» sin ninguna organización (Fig. 3). También se vieron numerosas zonas de hueso necrótico en el interior del canal medular.
Figura 2. Hueso reactivo lamelar subperióstico (H-E. 40x).
Figura 3. Osteoide inmaduro a nivel del endostio (H-E. 40x).
Discusión
Según se cita en la literatura el fresado endomedular origina necrosis ósea debido a varios factores, primero por el proceso mecánico del fresado,7,12 que conlleva destrucción de hueso; segundo por la isquemia originada a consecuencia de la destrucción de la vascularización centromedular4,6,12 y, por último porque la temperatura alcanzada durante el procedimiento quirúrgico, puede ser lo suficientemente elevada como para producir necrosis térmica.8,11
Diversos estudios intentan delimitar el umbral de temperatura, en el que los cambios en el hueso se hacen irreversibles, con valores que oscilan próximos a los 50 °C.1,5,9 También hay que tener en cuenta el tiempo de fresado, a mayor tiempo de exposición mayor será la extensión de la necrosis y menor el umbral necesario para originarla. Eriksson y cols.4 establecieron en 1984, que una temperatura de 47° durante 1 minuto es suficiente para producir daño térmico al hueso.13,14
En esta serie, tan sólo en tres casos se han superado los 40 °C, cifra que nunca se sobrepasó si el fresado se hacía de forma progresiva. A la elevación moderada de la temperatura registrada «in vivo», a diferencia de lo observado en hueso seco,9 puede contribuir la refrigeración proporcionada por la red vascular y sobre todo por el sangrado.14
Se ha observado un mayor aumento de temperatura cuando el fresado se hizo comenzando con la fresa de 8 mm, siendo más marcado en aquellos casos en los que el diámetro de la cavidad medular fue menor. Creemos que es debido a que la fricción entre la fresa y la cortical interna fue más acusado.2 Leunig y cols.8 describen necrosis ósea y de partes blandas adyacentes después del fresado, en tres fracturas cerradas de tibia tratadas mediante enclavado intramedular, atribuyéndolo a la fricción provocada al fresar un canal medular muy estrecho. Ochsner y cols.11 también describen tres casos de fracturas diafisarias (1 húmero y 2 tibias) tratadas con enclavado intramedular fresado en los que apareció la misma complicación.
Es muy importante el empleo de fresas con perfecto corte para disminuir lo más posible el rozamiento.10 Si bien el número de ejemplares analizado es pequeño y no se pueden sacar conclusiones significativas creemos que cuando se realiza un fresado intramedular cuidadoso con fresas de calibre adecuado y progresivo y con buen corte, el daño térmico originado al hueso es mínimo y no es un factor influyente en la necrosis ósea originada por este procedimiento.
Agradecimientos
Al Dr. Pedro García Barreno y a todo el personal del Departamento de Medicina y Cirugía Experimental del Hospital General Universitario «Gregorio Marañón» que han hecho posible este trabajo.






