INTRODUCCIÓN
Los tumores mixtos de la estroma endometrial y del músculo liso (TMEML) son tumores raros. Para clasificar un tumor dentro de este grupo debe presentar al menos un 30% de cada tipo celular, y ser diagnosticado por la evaluación con microscopio óptico1,2. Clásicamente se denominaban «stromomyomas»3. El comportamiento de los TMEML suele ser benigno. En este caso la paciente presentó una recurrencia pélvica, con un tumor puro únicamente de músculo liso al año de la primera intervención.
CASO CLÍNICO
Paciente de 50 años, con 4 gestaciones, 1 aborto legrado y 3 partos eutócicos. Sin antecedentes familiares ni personales de interés. Se estudia en consultas externas por hipermenorreas, y se diagnostica de útero miomatoso. No se produce mejoría a pesar del tratamiento hormonal y se practica histerectomía total con doble anexectomía. La anatomía patológica informa de útero de 11 8 6 cm, y en su abertura se identifica una formación nodular submucosa en fondo uterino que dilata la cavidad, y que muestra un diámetro máximo de 3 2 cm, con coloración amarillenta, consistencia media y bien delimitada, no encapsulada del miometrio, donde hay otras formaciones nodulares de coloración blanquecina y aspecto más fasciculado, con diámetros entre 2 y 0,5 cm (fig. 1). No se identifican signos de necrosis ni hemorragia en el nódulo submucoso ni en el resto de las formaciones nodulares.
Fig. 1. Útero multinodular, en el que destaca un nódulo submucoso amarillento a la sección de 32 cm. El diagnóstico anatomopatológico del nódulo submucoso fue de tumor mixto de la estroma endometrial y de músculo liso.
El estudio microscópico revela una mucosa endometrial con cambios de secreción, y en el nódulo proliferación mixta con zonas de músculo liso bien diferenciado, y entre dichas fibras otra celularidad con zonas de aspecto epitelioide de citoplasma amplio eosinófilo y núcleo excéntrico, junto a células que muestran núcleos monomorfos ovoideos, con ausencia de nucléolo y escaso citoplasma, que se disponen en forma de cordones así como formación de seudoluces o seudoglándulas (fig. 2a). El estudio de inmunohistoquímica muestra diferencias entre las 2 estirpes celulares, con marcada expresión para vimentina y keratinas de alto y bajo peso molecular en el componente estromal, y en el muscular hay tinción positiva con desmina y actina de músculo; la expresión marcada nuclear para receptores de progesterona fue común en ambos tipos celulares (tabla I). Se concluye que corresponde a un tumor uterino mixto con diferenciación estromal y de músculo liso (potencial maligno incierto), submucoso, con márgenes no infiltrantes. El resto de los nódulos corresponden a fibroleiomiomas convencionales.
Fig. 2a. Microscopio óptico. Tumor mixto de la estroma endometrial y del músculo liso; se ven 2 las estirpes celulares claramente diferenciadas en diferentes focos (HE).
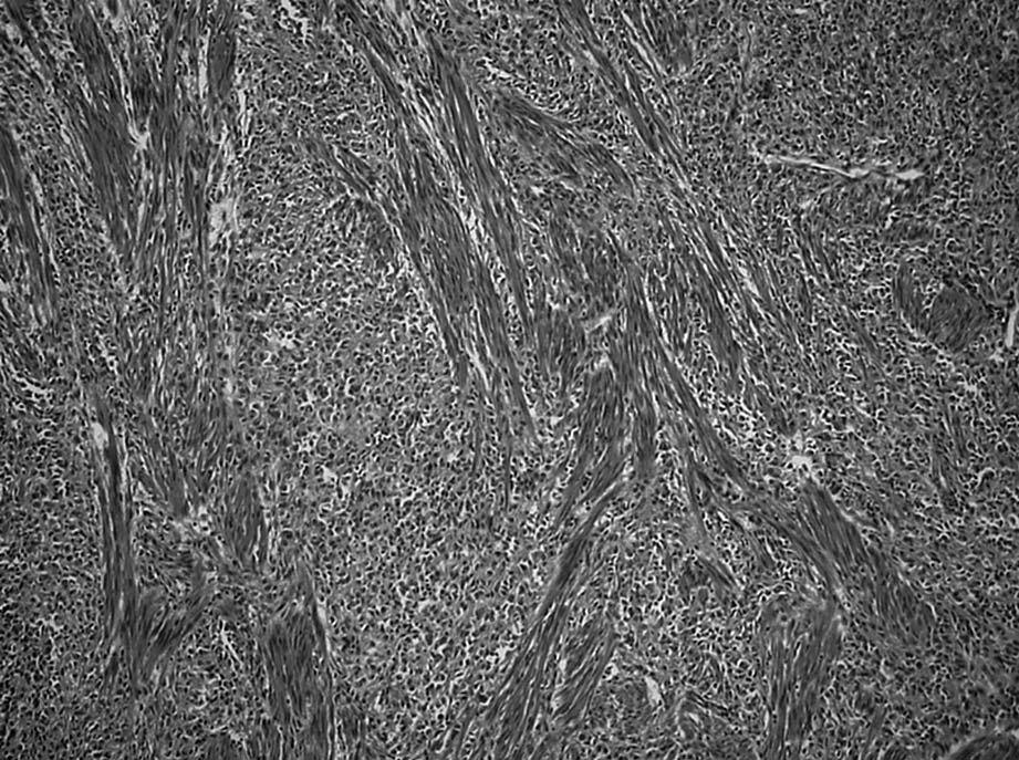
Fig. 2b. Microscopio óptico. Tumor del músculo liso de patrón bizarro (HE).
La evolución postoperatoria fue favorable, con revisiones normales a los 4 y 6 meses.
En la revisión a los 12 meses, al hacer la exploración bimanual, se palpa una masa pélvica redondeada y dura de 8 cm de diámetro. En la ecografía se visualiza imagen hipoecogénica de 94 70 mm, que por estudio Doppler presenta vascularización IR de 0,4 (fig. 3). Se confirma mediante tomografía computarizada (TC) abdominopélvica, sin otros hallazgos en el resto de la cavidad. El estudio con tomografía por emisión de positrones (PET) fue negativo.
Fig. 3. Ecografía de recurrencia pélvica. Masa hipoecogénica uniforme de 9470 mm. Estudio Doppler con vascularización moderada que presenta IR de 0,4.
Se decide realizar una intervención quirúrgica con sospecha de recurrencia pélvica retrovesical. Se cateterizaron ambos uréteres y en la cistoscopia se observa la masa que hace impronta en la cavidad vesical. Se extirpa la masa situada en retroperitoneo, y la anatomía patológica informa de una formación irregularmente nodular de 9,5 9 cm, con cápsula delgada, que al corte muestra un aspecto multinodular blanquecino grisáceo de consistencia elástica, con áreas de aspecto mucoide y pequeñas zonas de aspecto hemorrágico. Al microscopio óptico se observa una proliferación de células elongadas con áreas de patrón de fibroleiomioma convencional, con áreas hialinizadas junto a otras donde hay células pleomórficas de núcleos polilobulados cromatina densa basófila, en la periferia áreas de necrosis isquémica (fig. 2b). El índice de mitosis muestra 0 a 2 mitosis por CGA y la inmunohistoquímica muestra una marcada positividad para actina y desmina de músculo liso así como para receptores estrogénicos y de progesterona, proliferación nuclear baja-intermedia, y no presenta tinción para keratinas de alto y bajo peso, c-kit y s-100 (tabla 3). Se informa como tumor de músculo liso de potencial maligno incierto, patrón bizarro (simplástico o atípico), encapsulado.
Tras un año de seguimiento la paciente no presenta signos de enfermedad.
DISCUSIÓN
Los TMEML son tumores raros, que están incluidos en la clasificación de tumores uterinos de la Organización Mundial de la Salud (OMS), como neoplasias con identidad propia4. Hay pocas publicaciones acerca de este tipo de tumores y la mayoría se refiere a casos clínicos aislados3,5-7 o a series con pocos números de casos1,2,8, lo que hace difícil establecer un protocolo de tratamiento y seguimiento, así como conocer el pronóstico de los TMEML. Para estos propósitos se suele definir como nódulos o sarcomas de la estroma endometrial con diferenciación de músculo liso2. Se ha abandonado el término clásico de «stromomyoma» que indicaba un comportamiento claramente benigno2. Tavassoli y Norris1 establecen que para considerarlos TMEML deben tener al menos un tercio del tumor de cada estirpe celular, diagnosticado por el estudio con microscopio óptico, ya que habrá tumores que no se puedan estudiar ultraestructuralmente, y a veces las tinciones inmunohistoquímicas pueden ser paradójicas.
Hay varias teorías que intentan explicar la histogénesis de los TMEML: 1) la presencia de una célula multipotencial en el seno del miometrio que se puede diferenciar en distintos tipos celulares; 2) un proceso de metaplasia que sufren las células de la estroma endometrial situadas en el límite endometrio-miometrial, hacia células con diferenciación celular; 3) nosotros pensamos una tercera posibilidad, con un fenómeno de atrapamiento de células musculares miometriales en el seno de un tumor de la estroma endometrial.
La clínica de los TMEML no difiere del resto de los tumores mesenquimales, con frecuencia presentan metrorragias o menorragias como en nuestro caso, y cuando alcanzan tamaños mayores, pueden causar síntomas de compresión o de dolor.
Macroscópicamente, el aspecto de los TMEML es variable2,7; así, en una masa única se han descrito masas blanquecinas y de consistencia firme con otras zonas más oscuras, multilobuladas de consistencia más blanda, alternando tonos amarillentos, pardo y blancos; o como en nuestro caso, de consistencia media, amarillenta de aspecto uniforme.
En el estudio microscópico se han descrito varias disposiciones con focos entremezclados de células de la estroma endometrial con otros de células de músculo liso; otras en las que el músculo liso presenta haces de colágeno2. Se ha publicado un caso con fenómeno de «zoning»7, en el cual entre la estroma endometrial aparecían glándulas endometriales maduras, y rodeando la estroma había zonas de músculo liso, en este caso además había leiomiomatosis intravascular. El componente de la estroma endometrial suele adoptar las formas características de los tumores típicos de esta clase, pudiendo semejar nódulos estromales o sarcomas de la estroma de alto y bajo grado, y esto debe marcar la actitud a seguir en cada caso2.
La tinción inmunohistoquímica es de utilidad para diferenciar tumores del músculo liso como leiomiomas celulares de sarcomas de la estroma endometrial, especialmente de bajo grado. Hay trabajos publicados que dan gran valor a la tinción fuertemente positiva del músculo liso a desmina, y negativo o débilmente positivo de la estroma2; pero otros autores han encontrado positividad a desmina en sarcomas y nódulos estromales. Otras tinciones de aparición más reciente como CD-10, h-caldesmon9 o receptores de oxitocina10, parecen de utilidad para diferenciar ambos tipos tumorales.
El tratamiento de los TMEML es quirúrgico, ya que el diagnóstico es fundamentalmente anatomopatológico, y la primera sospecha es de leiomiomas, que precisan cirugía. La mayoría de los casos publicados se han tratado con histerectomía abdominal, como en nuestro caso, con o sin conservación ovárica. Hay algún caso de tumorectomía, concretamente en uno de los que recidivó y que presentaba bordes infiltrantes2. El tratamiento de la recidiva también es quirúrgico, con resección del tumor y del órgano en el que recidiva, como en un caso que apareció en un ovario restante o en algunas metástasis de las aparecidas en pulmón se optó por lobectomía. También se han utilizado hormono y quimioterapia8.
El comportamiento de estos tumores depende principalmente del componente estromal y de su infiltración. En la bibliografía se encuentran recidivas hasta 17 años después de presentarse el tumor primario, como en el caso en el que se propuso el término «stromomyoma»3,6. La recurrencia a veces se presenta con un único tipo celular, como en nuestro caso, o como una mujer de 29 años a la que se realizó tumorectomía con márgenes infiltrantes y recurrió a los 48 meses como sarcoma de la estroma endometrial2. Otro sarcoma estroma endometrial con mínimos focos de músculo liso metastatizó a pulmón, uno de los sitios típicos en este tipo de tumores, como neoplasia de músculo liso. También se ha publicado un caso de sarcoma de la estroma endometrial de bajo grado con diferenciación de músculo liso que se extendió a la cava inferior hasta el corazón, y en esta recurrencia el músculo liso era el componente masivo5.
En la bibliografía no se ha encontrado, hasta donde nosotros sabemos, ningún caso de recidiva pélvica local en la cual el único componente fuera de músculo liso. Nos planteamos otra hipótesis de 2 tumores de diferente estirpe presentes en la misma paciente.
CONCLUSIÓN
Los TMEML son infrecuentes y están poco documentados. Comportamientos atípicos como en nuestro caso, con recurrrencias que no recuerdan al tumor primario, y otras publicadas en la bibliografía, hacen necesarios estudios con series más grandes para conocer el pronóstico y el tratamiento adecuado de éstos.








