Caso 624, mujer, 67 años
Osteonecrosis inducida por bifosfonatos en la mandíbula izquierda
La paciente fue remitida a nuestra consulta para el estudio de un cuadro de dolor en la hemimandíbula izquierda. Entre los antecedentes patológicos de la paciente, destaca un mieloma múltiple (plasmocitoma) diagnosticado 4 años antes. Se administró un tratamiento con bifosfonatos para la estabilización ósea de las metástasis osteolíticas aparecidas con la evolución de la enfermedad. Cuatro meses antes de la remisión, la paciente fue sometida a una exodoncia del diente 33. La radiografía panorámica (fig. 1) muestra un alvéolo sin consolidación ósea en la región 33. En esta zona ha desaparecido parcialmente el hueso cortical mandibular craneal en distal del alvéolo de extracción y se ha producido una osteoporosis del hueso esponjoso en la misma zona.
Figura 1. Radiografía panorámica.
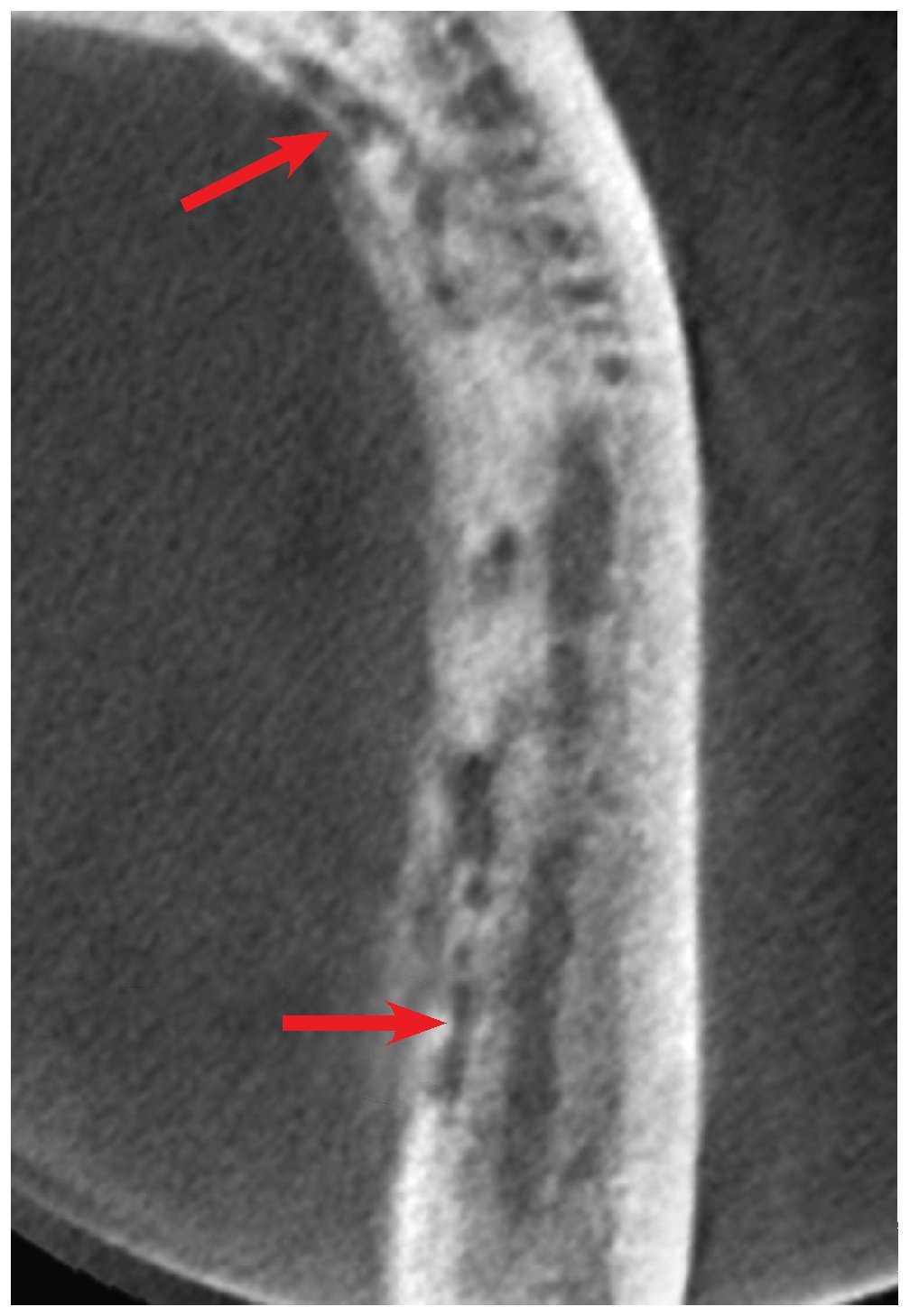
La tomografía volumétrica obtenida de forma complementaria (figs. 2 a 4) pone de manifiesto la magnitud de la alteración. Se identifican numerosas lesiones osteolíticas diseminadas en lingual del conducto dentario inferior izquierdo que se extienden hasta la región 31 (fig. 2). Esto provoca el desprendimiento parcial de estructuras óseas aisladas (fig. 3) que acaba finalmente en secuestros. Se aprecia además una reacción perióstica en el lado lingual (fig. 4). Los hallazgos descritos también concuerdan con un diagnóstico de osteomielitis supurada. Ahora bien, según la anamnesis, existe una gran probabilidad de que estén relacionados con la exodoncia practicada sobre una zona previamente afectada por el tratamiento con bifosfonatos.
Figura 2. Tomografía volumétrica digital dental, plano axial.
Figura 3. Tomografía volumétrica digital dental, plano sagital.
Figura 4. Tomografía volumétrica digital dental, plano coronal/transversal.
De acuerdo con los datos disponibles actualmente, se cree que los bifosfonatos con cadenas laterales nitrogenadas provocan una alteración importante de la función osteoclástica y la inhibición de la angioneogénesis. En este contexto, un traumatismo local (como una extracción) conlleva una contaminación bacteriana que puede evolucionar a una osteomielitis y a la consiguiente osteonecrosis maxilar.
Correspondencia: Dirk Schulze.
Clínica Universitaria de Odontología, Medicina Oral y Maxilofacial, Sección de Radiología. Hugstetter Strasse 55, 79106 Friburgo de Brisgovia, Alemania.
Correo electrónico: dirk.schulze@uniklinik-freiburg.de





